1、超大扭矩設計,適合特大型門;
2、油浸式變速箱,運行平穩,低噪音,長壽命(寒區可選用低溫潤滑油);
3、直接的手拉鏈機構,簡單可靠,提升效率高;
4、電機熱保護功能,減少意外傷害;
5、安全防護等級達到IP54;
6、機電一體化,可選配遙控器、安全氣囊、光電開關等裝置;
7、具有安全卡榫,防止蝸輪、蝸桿失效而導致門體意外墜落;
8、產品性能參數完全符合住建部《工業滑升門開門機》行業標準。
型號 | KG400 | KG400S |
輸入電壓 | 220V/50Hz | 380V/50Hz |
輸出轉速 | 9rpm | 13rpm |
輸出扭矩 | 200N.m | 400N.m |
電機轉速 | 960rpm | 1200rpm |
電機功率 | 800W | 1200W |
熱保護溫度 | 120℃ | 120℃ |
工作環境溫度 | -20℃~+50℃(-40℃可定制) | -20℃~+50℃(-40℃可定制) |
輸出軸孔徑 | φ40mm | φ40mm |
平鍵尺寸 | 10×8×100mm | 10×8×100mm |
主機質量 | 45kg | 45kg |
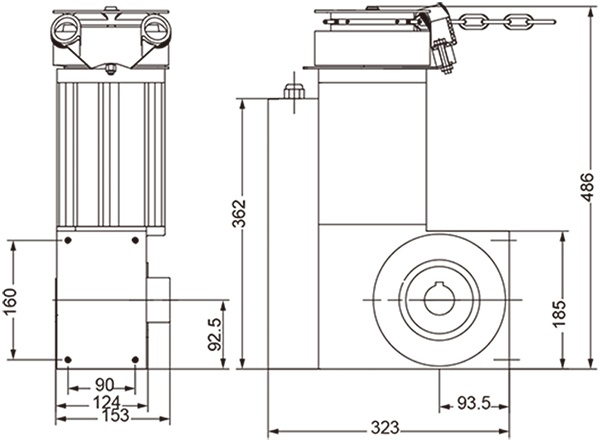
外形尺寸(mm) | 153×334×480 | 153×334×480 |
最大限位圈數 | 輸出軸可轉20圈 | 輸出軸可轉20圈 |
| 工作制 | S2:20% S3:10min | S2:25% S3:20min |
建議適用范圍 | <150m2 | <180m2 |
